Thanks, this schematic actually makes it a bit easier for me to read, as it "opens" it up a bit. I will be using a 7809 linear regulator to drop...
Yes, pulsing would be correct. I found the electronic schematic, the Rabidhardware site had a color coded "idiot proof" version. Here is the...
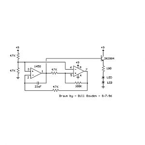
I had plans on building a pulsing LED circuit for my inprogress case mod. I have all the parts to build the one that was on...
Enjoy. [IMG] clicky clicky clicky
Yeah I've found that micro push to break are a difficult find indeed. CO switches can be NC or NO correct?
Never used a solder version, but the push on style are easy enough to use. The wires are laid in a channel and then pressed in with a tool (can't...
Hey all, Two questions. What type switch is commonly used for PC power switches? I know its a NO momentary. However whatever site I check...
Separate names with a comma.