Electronics Need help with an graphic LCD!

Discussion in 'Modding' started by SoNgOkO, 18 Jan 2003.

  1. SoNgOkO

    SoNgOkO What's a Dremel?

    Joined:
    18 Jan 2003
    Posts:
    13
    Likes Received:
    0
    Hello!

    I recently bought an graphic LCD now i only need to wire it correctly. Can any1 help me with that. I heard that i cant wire this LCD to a standard parrellel port. What cable to use for the LCD where to connect it to? Do i need any other parts to get this LCD running? I heard that i need a resystor or something like that 1000ohm. I also heard that i need a chip to invert the electricity. What software can i use with this LCD???

    LCD info:
    Powertip PG12864B
    http://www.powertipusa.com/pdf/pg12864b.pdf
     
  2. Plasma

    Plasma What's a Dremel?

    Joined:
    7 Nov 2002
    Posts:
    144
    Likes Received:
    0
    First, we would have to know what controller chip is used on that display you have.
    THEN we might be able to help you...
     
  3. SoNgOkO

    SoNgOkO What's a Dremel?

    Joined:
    18 Jan 2003
    Posts:
    13
    Likes Received:
    0
    Hello!

    i have e-mailed Powertrip about the controller chip and i hope that i will get a reply from them as soon as possible.
     
  4. SoNgOkO

    SoNgOkO What's a Dremel?

    Joined:
    18 Jan 2003
    Posts:
    13
    Likes Received:
    0
    Hello i got a reply toda from Powertrip the LCD that i have uses the KS0107, KS0108, Samsung controller chip.
     
  5. Plasma

    Plasma What's a Dremel?

    Joined:
    7 Nov 2002
    Posts:
    144
    Likes Received:
    0
    This makes it easier.
    You could check LCDInfo which I recommend at the warmest.
    Here you can get both software and a wiring schematic.

    Or you could check this .

    There are lots of information about this chip if you do a Google search.
     
  6. ChriX

    ChriX ^

    Joined:
    30 Aug 2001
    Posts:
    2,650
    Likes Received:
    4
    You could use Liquid-MP3 as well, the latest alpha supports that controller :D
     
  7. SoNgOkO

    SoNgOkO What's a Dremel?

    Joined:
    18 Jan 2003
    Posts:
    13
    Likes Received:
    0
    Hello thanx for the replies. But i am very new to this. I looked on both sides and i found out that there are only schematics for KS0108, Samsung controller. But my LCD uses 2 controllers KS0107, KS0108. Is the wireing different??? I also found out that the pin assigments are set a bit different on the schematics i looked. At the 4 pin assigment in the data sheet from Powertrip it says D/I (command/data input), but in the schematics the assigment for the 4 pin is RS. Is RS only another word for D/I or do i need another schematic???

    Link to the schematic:
    http://www.skippari.net/lcd/ks0108.html
     
  8. Plasma

    Plasma What's a Dremel?

    Joined:
    7 Nov 2002
    Posts:
    144
    Likes Received:
    0
    You have to look at the label. Eg. in the datasheet you provided in your first post, you check what pin on your display R/W is, then you check the schematic from LCDInfo, and see what LPT pin R/W is wired to...
    It's as simple as that.
    Tell me if you want me to explain it to you in another way...
     
  9. Henri

    Henri What's a Dremel?

    Joined:
    21 Jan 2003
    Posts:
    83
    Likes Received:
    0
    The schematics only mention the KS0108 controller but the displays have the KS0107 chips too. So you have the same kind display.

    And RS means the same thing as D/I. There may be some other pins with different names too.
     
  10. Henri

    Henri What's a Dremel?

    Joined:
    21 Jan 2003
    Posts:
    83
    Likes Received:
    0
  11. linear

    linear Minimodder

    Joined:
    5 Oct 2001
    Posts:
    4,393
    Likes Received:
    1
    Hi Henri, welcome to the boards. We're very pleased to have you around. :)
     
  12. Henri

    Henri What's a Dremel?

    Joined:
    21 Jan 2003
    Posts:
    83
    Likes Received:
    0
  13. SoNgOkO

    SoNgOkO What's a Dremel?

    Joined:
    18 Jan 2003
    Posts:
    13
    Likes Received:
    0
    Hello!

    First of all i want to thank all of u for the replies. I have a few more questions. Why arent the pins 19 and 20 connected??? I know that i need some other parts beside the LPT cable and the LCD. Which are these parts. I want to have all parts so i can go to my uncle so that he will help me put the things together couse he has all the tools needed and he knows few things about electricity.

    Thanx
     
  14. Henri

    Henri What's a Dremel?

    Joined:
    21 Jan 2003
    Posts:
    83
    Likes Received:
    0
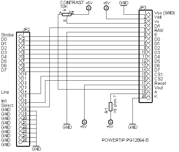
    I have now updated the schematic a bit. The reason I didn't include the backlight is that I'm not sure of the component values for that.

    In the datasheet this information is given:
    -voltage 4,2V
    -current 300mA

    From that we can calculate (or use the Bit-Tech calculator ;) ) that the resistor needs to be 2.7 ohms.
    But usually I've used values larger than the recommended so I'd use at least >5 ohm for that. I'd like to try that myself before making any recommendations (it's not fun at all if you burn your display based on what I told you to do).

    For the parts I don't think you'd need much else than the 10Kohm contrast potentiometer and the resistor for the backlight.
     
  15. SoNgOkO

    SoNgOkO What's a Dremel?

    Joined:
    18 Jan 2003
    Posts:
    13
    Likes Received:
    0
    Can u post the updated schematic??

    Parts needed:
    -LCD
    -LPT cable
    -5ohm resistor
    -10Kohm contrast potentiometer

    Do i need 1 resistor for both backlights?
    A guy also told me that i would need to invert the electricity current with some sor of chip. Is that true???
     
  16. Henri

    Henri What's a Dremel?

    Joined:
    21 Jan 2003
    Posts:
    83
    Likes Received:
    0
    I made the changes to the original schematic yesterday so you should see the new changes by reloading it.

    Both backlights ? What do you mean, I thought it had only one backlight ?

    You would need the inverter for the negative voltage if your display wouldn't have this circuit integrated. But from the datasheet it seems that your display already has it (pin18, negative voltage output) so no need to worry about that.
     
  17. SoNgOkO

    SoNgOkO What's a Dremel?

    Joined:
    18 Jan 2003
    Posts:
    13
    Likes Received:
    0
    :clap: WOW:clap:

    Thanx man. I will go to my uncle tomorrow and i hope that i will get the LCD ready till the end of this week:rock: !!

    YAY
     
    Last edited: 22 Jan 2003
  18. SoNgOkO

    SoNgOkO What's a Dremel?

    Joined:
    18 Jan 2003
    Posts:
    13
    Likes Received:
    0
    Hello!

    From where to get the 5V that power the LCD??? I always thought from a 4-pin molex connector, but arent they 12V?????
     
  19. ChriX

    ChriX ^

    Joined:
    30 Aug 2001
    Posts:
    2,650
    Likes Received:
    4
    :rolleyes:

    Yellow line is +12v
    Red line is +5v
    Black lines are 0v/GND
     
  20. SoNgOkO

    SoNgOkO What's a Dremel?

    Joined:
    18 Jan 2003
    Posts:
    13
    Likes Received:
    0
    Hello!!

    I wired the LCD!! I pluged it in and all seems to run OK! What software do i need to get now?????? Liquid Mp3 doesnt seem to work?? Do i need to set any special settings for my LCD???

    Thanx
     

Share This Page