Electronics SCART output questions - need some help reading schematics

Discussion in 'Modding' started by TheOther, 17 Apr 2008.

  1. TheOther

    TheOther What's a Dremel?

    Joined:
    17 Apr 2008
    Posts:
    3
    Likes Received:
    0
    Hi everyone, long time Bit-Tech lurker making my first posts here on the forums.

    I'm currently building my own HTPC from scratch, hopefully it will show up in the project logs forum within a few weeks. While scavenging for parts for this project I was going to rip the backpanel audio and video connectors off an old DVD player that was gathering dust in the basement :dremel:, and found this:

    [​IMG]

    And I started thinking, "hmmm wonder if I could reuse that whole SCART connector assembly..." Having output via SCART would be a nice feature that I originally had not planned.

    After some searching I managed to find the service manual for this thing (a Sony DVP-S725D), including the schematics for the SCART connector board. Now, here is where I need some help. I think I've managed to make sense of most of the schematics but I'm no electronics wizard, more of a software guy with some basic electronics knowledge, so I would appreciate if someone could check my conclusions (wouldn't want to let the magic smoke out of anything... :worried:)

    There are also a few control signals that I would like some advice on how to handle.

    The HTPC will be powered by a VIA Epia MII1000 Mini-ITX board, so I have VGA, Composite and S-Video signals available.

    The schematics is split in two, and can be found here and here

    I uploaded the whole service manual here if anyone wants to have a look (9Mb PDF)

    The board has 2 connectors, a 7 pin and an 18 pin, so:

    7-pin

    1: EUROV/Y - This seems to be a logic signal selecting whether to output RGB or S-Video on the SCARTs
    2-6: RGB and GND signals. I assume that I could just hook these up to the VGA connector on the motherboard...?
    7: YUV - ?? See questions further down


    18 pin connector:

    3: VMUTE - Seems to be used to disable the RGB output completely via the Enable pin on the video buffer IC
    4: VS - ?? See questions.
    6: Disc/Ext - Enable video output / Act as pass through
    7-9: Audio left, right and GND - Simply hook up to line out on the motherboard..
    10: +5v
    11: EVER5V - Tracing this backwards leads to the powersupply board, I'm guessing it's +5v standby ('EVER' as in 'Always' 5v??)
    12: GND
    13: VIDEOC - Chroma signal. From the S-Video output on motherboard...
    14: GND
    15: VIDEOY - Luma signal. Also from S-Video..
    16: GND
    17: VIDEOV - Composite video. Pick straight from the composite video out on the MB.
    18: +12v

    The video, audio and powersupply pins seems pretty straight forward, so I'm not to worried about those, most of my questions are regarding the control signals.

    Questions:

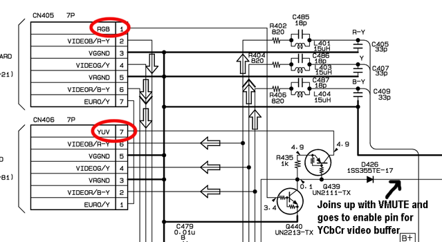
    * What to do with the YUV pin? As far as I can tell it's involved with generating the output on Pin 16 (Blanking) on the SCART.
    From Wikipedia:
    Pin 16, the blanking signal pin, carries a signal from the source that indicates that the signal is either RGB or composite.
    0 V–0.4 V means composite.
    1 V–3 V (nominal 1 V) means RGB only.


    Tracing the signal back to it's source gives me the following:
    It starts life on an output pin on the main processor labeled 'RGBSEL' with a 10k pullup resistor to 5v, then goes through this:
    [​IMG]
    and becomes YUV.

    * What to do with VMUTE? From what I can see the EUROV/Y, YUV and VMUTE signals are all involved with enabling/disabling the RGB output, how do they fit together?

    * What to do with VS? It seems to control the output on pin 8 (Switch signal) on the SCART
    From Wikipedia:
    Pin 8, the switch signal pin, carries a low frequency (less than 50 Hz) signal from the source that indicates the type of video present.
    0 V–2 V means no signal, or internal bypass
    4.5 V–7 V (nominal 6 V) means a widescreen (16:9) signal
    9.5 V–12 V (nominal 12 V) means a normal (4:3) signa
    l

    I don't think I'm aiming for automatic format detection from the video source, a switch somewhere on the case would probably be acceptable.

    As a sidenote, would the small arrows with numbers next to them that's scattered all over the schematics indicate expected voltage levels? In that case, would it mean that EUROV/Y, VMUTE and Disc/Ext are all 3.3v logic signals, and YUV is a 5v logic signal?


    Any help answering these questions would be appreciated.
     
  2. profqwerty

    profqwerty What's a Dremel?

    Joined:
    2 Jan 2006
    Posts:
    1,262
    Likes Received:
    18
    IIRC, you cannot simply hook up an RGB to a VGA source, or vice-versa. The VGA also has H/V sync signals flowing alongside, whereas the RGB sync is included with the G signal. (You might therefore say VGA = component)

    Composite + S-video lumina/sync use the same pin, with S-video chroma using an extra pin.

    my $0.02
     
  3. TheOther

    TheOther What's a Dremel?

    Joined:
    17 Apr 2008
    Posts:
    3
    Likes Received:
    0
    Ah, good point. Should have guessed that since I was wondering about HSync and Vsync when I first looked at this thing..

    It doesn't seem to be that hard to build a circuit to combine the sync signals to a composite sync though, googling turned up some schematics that only takes some XOR gates and a few other bits and pieces, so I might go ahead and do that. The board I got seems to be designed to use "sync on green" like you said, but from what I've read It's also legal to provide a separate sync signal on pin 20, which is probably what I will do.

    It looks like I have to put a switch somewhere on my case to select what type of output I want in the SCART since RGB, Composite and S-Video seems to be mutually exclusive (using the same pins)
     
  4. badders

    badders Neuken in de Keuken

    Joined:
    4 Dec 2007
    Posts:
    2,635
    Likes Received:
    72
    Would it not be easier just to desolder the scart socket itself, and then feed composite video, sound and the TV-turn-on signal thingy to it?
    [​IMG]
    SCART Euro AV Connector
    SCART 21 Pin Euroconnector
    Connector may be reversed depending on which side is viewed. All pins are numbered.
    Pin No. Function Pin No. Function
    1 AUDIO Output Right
    2 AUDIO Input Right
    3 AUDIO Output Left
    4 AUDIO Ground
    5 BLUE Ground
    6 AUDIO Input Left
    7 BLUE
    8 Function Switching
    9 GREEN Ground
    10 Comm Data 2
    11 GREEN
    12 Comm Data 1
    13 RED/Chroma Ground
    14 Comm Data Ground
    15 RED/Chroma
    16 Blanking
    17 VIDEO/Sync/Luminance Ground
    18 Blanking Ground
    19 VIDEO/Sync/Luminance Output
    20 VIDEO/Sync/Luminance Input
    21 Common Ground
     
  5. TheOther

    TheOther What's a Dremel?

    Joined:
    17 Apr 2008
    Posts:
    3
    Likes Received:
    0
    Perhaps, but where is the fun in that? ;)

    If all else fails I may go that route (probably buying a new connector though, desoldering that thing doesn't look like fun..) but what's nice about the existing board is that it got two connectors and all the necessary things in place to act as a pass through when the power is off. Which is good since i got other stuff I want to connect to my old and crappy TV which only has 1 scart connector for input...
     

Share This Page